cable LKG-60-datasheet
+下载
SC30 (双通道)
产品描述
可与安全继电器一起用作双手控制
- Ø 50 mm开关感应面
- 通过标准 Ø 22.5mm 安装孔进行安装
- 兼容 MCR225 和 PILZ PNOZ 6s
- 通过TÜV SÜD(EN ISO 13849-1, EN ISO 13851)认证
安全应用: 冲孔 | 冲压
- 灯光反馈
绿色LED灯 (准备运行)
黄色LED灯 (切换) - 100%防水和防油-IP68
传感器完全密封在铸造树脂中 - M12 连接
5 针和 6 针版本
下载 SC30 (双通道)








产品图片
技术图纸
应用图片
外壳颜色
外壳 交通黑 (RAL 9017)
特征
功能:静态输出(持续信号)
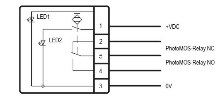
开关输出:PhotoMOS 继电器 NC 常闭型、NO 常开型
规格
| 供电电压 |
24V DC (19.2...28.8 V) |
| 输出 |
PhotoMOS-继电器,电子 |
| 视觉信号反馈 |
黄色LED LED 绿 |
| 工作温度 |
-25°C...+75°C |
| IP防护等级 |
正面 IP68 背面IP67 |
| 电流消耗 |
Max. 20mA |
| 闭合延迟 |
Max. 50 ms |
| 闭合延迟 |
Max. 30 ms |
| 额定绝缘电压 |
32 V |
| 电气接口 |
M12 |
| 线数 |
5-针 6-针 |
| Performance Level |
Ple* |
| MTTFd |
1123年 |
| Kategorie |
CAT 4* |
| PFHd |
2,47 E-10 /h |
| DC |
0 (99% mit Relais) |
| TM |
20 Jahre |
| Hinweis* |
Werte werden erreicht in Verbindung mit einem entsprechend zugelassenen Sicherheitsrelais für Zweihandsteuerungen |
配套附件
MCR-225
适用于SC4的继电器 和 SC3x (Dual Channel)
- 输入:SCA4 + SCB4; SC3x (Dual Channel)
- 输出:2 个常开,1 个常闭
- 通过反馈回路 Y1 - Y2 监控外部接触器的触点倍增加强值
- 具有过载及短路保护功能
应用领域: 冲压机 | 印刷机
German
English
Chinese
Polish


![[Translate to Chinesisch:] [Translate to Chinesisch:]](/fileadmin/user_upload/data/products/st/images/SC3x/SC30_Front_650x454px.jpg)












